2008 Chevrolet Silverado Wiring Diagram 2008 Chevy Silverado

2008 chevy silverado radio wiring harness diagram The ultimate guide to understanding the 2008 chevy silverado 1500 2008 chevrolet silverado wiring diagram

2008 Chevy Silverado Trailer Wiring Diagram

2008 Chevy Silverado Trailer Wiring Diagram

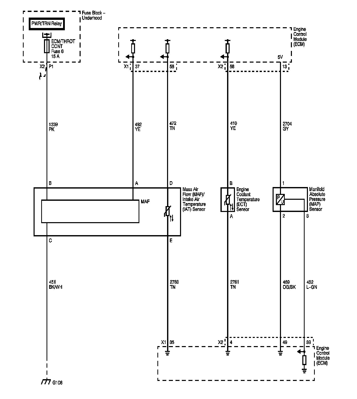
2008 silverado wiring diagram 2008 chevy silverado ecm wiring diagram Step-by-step guide to wiring your 2008 chevy silverado trailer

2008 chevrolet silverado wiring diagram

Exterior lights – chevrolet silverado 1500 2008 – system wiring ...How to read and understand a 2008 chevy silverado instrument cluster All wiring diagrams for chevrolet silverado 2008 1500 model – wiringEasy-to-follow 2008 chevy silverado wiring diagram for quick ....

2008 chevy silverado wiring diagramElectrical diagrams — 2008 chevy truck silverado 1500 2wd v6-4.3l 2008 silverado power window wiring diagramRadio wiring diagram for 2008 chevy silverado.

Wiring Guide for the 2008 Chevy Silverado Trailer

Diagrama electrico chevrolet silverado 2008 wiring diagram s

All wiring diagrams for chevrolet silverado 2008 1500 model – wiring ...2008 chevrolet silverado wiring diagram How to read and understand a 2008 chevy silverado instrument cluster ...wiring guide for the 2008 chevy silverado trailer.

2008 chevy silverado radio wiring harness diagramAll wiring diagrams for chevrolet silverado 2008 1500 model – wiring 2008 chevy silverado wiring diagramWiring diagram 2008 chevy silverado 1500.

Step-by-Step Guide to Wiring Your 2008 Chevy Silverado Trailer

Wiring guide for the 2008 chevy silverado trailer

All wiring diagrams for chevrolet silverado 2008 1500 model – wiring2008 chevy silverado wiring diagram Easy-to-follow 2008 chevy silverado wiring diagram for quick2008 silverado power window wiring diagram.

All wiring diagrams for chevrolet silverado hd 2008 3500 model – wiring ...chevrolet silverado wiring diagrams 2006 silverado wiring di All wiring diagrams for chevrolet silverado 2008 1500 model – wiring ...2008 chevy silverado wiring diagram.

2008 Silverado Wiring Schematic » Diagram Board

All wiring diagrams for chevrolet silverado 2008 1500 model – wiring ...

2008 chevy silverado trailer wiring diagram2008 chevy silverado radio wire diagram 2008 chevy silverado bcm wiring diagramRadio wiring diagram for 2008 chevy silverado.

Chevrolet silverado wiring diagrams 2006 silverado wiring diExterior lights – chevrolet silverado 1500 2008 – system wiring 2008 silverado wiring schematic » diagram boardDiagrama electrico chevrolet silverado 2008 wiring diagram s.

2008 Chevy Silverado Trailer Wiring Diagram

2008 chevy silverado wiring diagram

All wiring diagrams for chevrolet silverado 2008 1500 model – wiring ...Easy-to-follow 2008 chevy silverado wiring diagram for quick ... I need a wiring diagram for a 2008 chevy silverado 1/2 ton- 2 doorStep-by-step guide to wiring your 2008 chevy silverado trailer.

The ultimate guide to understanding the 2008 chevy silverado 1500 ...I need a wiring diagram for a 2008 chevy silverado 1/2 ton- 2 door Easy-to-follow 2008 chevy silverado wiring diagram for quickPower distribution – chevrolet silverado 1500 2008 – system wiring.

I need a wiring diagram for a 2008 chevy silverado 1/2 ton- 2 door

2008 silverado wiring diagram: a comprehensive guide to wiring your ...

All wiring diagrams for chevrolet silverado 2008 1500 model – wiring2008 chevy silverado ecm wiring diagram 2008 chevy silverado wiring diagram2008 chevrolet silverado wiring diagram.

All wiring diagrams for chevrolet silverado hd 2008 3500 model – wiringPower distribution – chevrolet silverado 1500 2008 – system wiring ... Electrical diagrams — 2008 chevy truck silverado 1500 2wd v6-4.3l ...2008 chevy silverado instrument cluster wiring diagram.

Easy-to-Follow 2008 Chevy Silverado Wiring Diagram for Quick

2008 silverado wiring diagram: a comprehensive guide to wiring your

All wiring diagrams for chevrolet silverado 2008 1500 model – wiring2008 silverado wiring schematic » diagram board wiring diagram 2008 chevy silverado 15002008 silverado wiring diagram.

2008 chevy silverado trailer wiring diagram2008 chevy silverado instrument cluster wiring diagram All wiring diagrams for chevrolet silverado 2008 1500 model – wiring ...2008 chevy silverado radio wire diagram.

EXTERIOR LIGHTS – Chevrolet Silverado 1500 2008 – SYSTEM WIRING

2008 chevy silverado bcm wiring diagram

.

.

2008 Chevy Silverado Wiring Diagram - Wiring Site Resource 2008 chevy silverado radio wire diagram - Wiring Diagram

2008 chevy silverado radio wire diagram - Wiring Diagram

Radio Wiring Diagram For 2008 Chevy Silverado

Radio Wiring Diagram For 2008 Chevy Silverado

Electrical Diagrams — 2008 Chevy Truck Silverado 1500 2WD V6-4.3L

Electrical Diagrams — 2008 Chevy Truck Silverado 1500 2WD V6-4.3L

All Wiring Diagrams for Chevrolet Silverado 2008 1500 model – Wiring

All Wiring Diagrams for Chevrolet Silverado 2008 1500 model – Wiring