2008 Chevy Silverado 5.3 Engine Diagram I Have A 2008 Chevy

[diagram] diagram of 4 3 liter chevy silverado engine Visualizing the engine components of a 2006 chevy impala [diagram] 2005 silverado engine wiring harness diagram

I have a 2008 Chevy duramax service engine light came on we plug in a

I have a 2008 Chevy duramax service engine light came on we plug in a

chevy 53 liter engine diagram 2008 chevrolet silverado 1500 lt extended cab 5.3 liter flex fuel ohv Chevy silverado engine diagram

2008 silverado 1500 5.3 missing part : r/silverado

2008 chevy silverado 1500 5.3l engine specschevy v8 engine diagram chevy silverado engine diagram2008 silverado 1500 lt 5.3 engine needs a torque for the head boats.

Visualizing the 2003 silverado engine: a comprehensive diagramVisual guide to the 2003 chevy silverado engine 2005 chevy silverado engine parts diagram2008 chevy silverado 5.3 engine.

2008 Chevrolet Silverado 1500 LT Extended Cab 5.3 Liter Flex Fuel OHV

Engine controls diagram 5 — 2005 chevy truck silverado 1500 2wd v6-4.3l

[diagram] 2008 chevy silverado 1500 le parts diagrams[diagram] 2008 chevy silverado 1500 le parts diagrams 2005 chevy silverado engine diagram : 2005 chevy silverado 1500 partsExploring the inner workings of the 5.3 engine in a 2008 chevy silverado.

[diagram] 5 3 chevy engine internal diagramChevy v8 engine diagram I have a 2005 chevy silverado with a 5.3 and has 89000 miles on it. the ...3800 3 8 chevy engine diagram.

3800 3 8 Chevy Engine Diagram

2005 chevy silverado engine diagram

A visual guide to 2008 chevy silverado 1500 parts2008 chevrolet silverado 1500 lt extended cab 5.3 liter flex fuel ohv ... 2008 chevrolet silverado pickup at dallas 2019 as t1162008 chevrolet silverado 1500 lt regular cab 4x4 5.3 liter ohv 16-valve ....

Electrical diagrams — 2008 chevy truck silverado 1500 2wd v6-4.3l ...2008 chevrolet silverado 5.3 help!! [diagram] 5 3 chevy engine internal diagramengine controls diagram 5 — 2005 chevy truck silverado 1500 2wd v6-4.3l ....

2008 Chevy Silverado 1500 5.3l Engine Specs

A visual guide to the 5.3 liter chevy engine

3800 3 8 chevy engine diagramExploring the inner workings of the 5.3 engine in a 2008 chevy silverado Visualizing the 2003 silverado engine: a comprehensive diagram2008 silverado 1500 lt 5.3 engine needs a torque for the head boats.

I have a 2008 chevy duramax service engine light came on we plug in a ...2005 chevy silverado engine parts diagram 2006 silverado engine diagramengine controls diagram 7 — 2005 chevy truck silverado 2500 2wd v8-6.0l ....

2008 Silverado 1500 5.3 missing part : r/Silverado

[diagram] 5 3 chevy engine internal diagram

2008 chevy silverado 1500 engine[diagram] 5 3 chevy engine internal diagram Electrical diagrams — 2008 chevy truck silverado 1500 2wd v6-4.3lEngine controls diagram 7 — 2005 chevy truck silverado 2500 2wd v8-6.0l.

[diagram] diagram of 4 3 liter chevy silverado engine2008 chevrolet silverado 5.3 help!! Visual guide to the 2003 chevy silverado engine2008 chevy silverado 1500 5.3l engine specs.

[DIAGRAM] 5 3 Chevy Engine Internal Diagram - MYDIAGRAM.ONLINE

Chevy 53 liter engine diagram

I have a 2005 chevy silverado with a 5.3 and has 89000 miles on it. the2005 chevy silverado engine diagram 2008 chevrolet silverado 1500 lt regular cab 4x4 5.3 liter ohv 16-valve2008 chevy silverado 1500 engine.

[diagram] 5 3 chevy engine internal diagramVisual guide to the 2003 chevy silverado engine 2008 silverado 1500 5.3 missing part : r/silveradoVisual guide to the 2003 chevy silverado engine.

2008 Chevrolet Silverado 1500 LT Regular Cab 4x4 5.3 Liter OHV 16-Valve

I have a 2008 chevy duramax service engine light came on we plug in a

2006 silverado engine diagram[diagram] 5 3 chevy engine internal diagram 2008 chevy silverado 5.3 engineA visual guide to the 5.3 liter chevy engine.

2008 chevrolet silverado pickup at dallas 2019 as t116[diagram] 2005 silverado engine wiring harness diagram A visual guide to 2008 chevy silverado 1500 partsVisualizing the engine components of a 2006 chevy impala.

2005 Chevy Silverado Engine Diagram : 2005 Chevy Silverado 1500 Parts

2005 chevy silverado engine diagram : 2005 chevy silverado 1500 parts ...

.

.

2005 Chevy Silverado Engine Parts Diagram 2008 Chevrolet Silverado 5.3 help!! | Chevy Silverado and GMC Sierra Forum

2008 Chevrolet Silverado 5.3 help!! | Chevy Silverado and GMC Sierra Forum

I have a 2008 Chevy duramax service engine light came on we plug in a

I have a 2008 Chevy duramax service engine light came on we plug in a

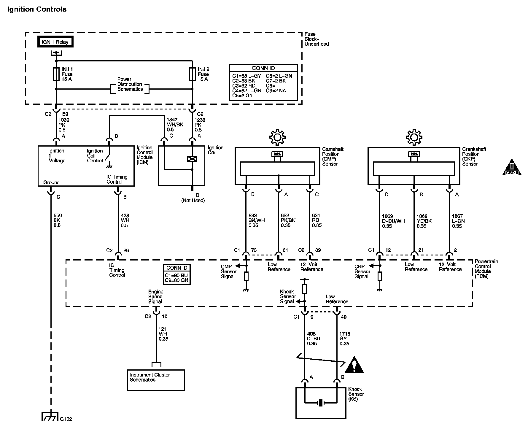
Engine Controls Diagram 5 — 2005 Chevy Truck Silverado 1500 2WD V6-4.3L

Engine Controls Diagram 5 — 2005 Chevy Truck Silverado 1500 2WD V6-4.3L

A Visual Guide to 2008 Chevy Silverado 1500 Parts

A Visual Guide to 2008 Chevy Silverado 1500 Parts